logo
CENO Electronics Technology Co.,Ltd
ایمیل inquiry@ceno360.com تلفن: 86-755-23420945

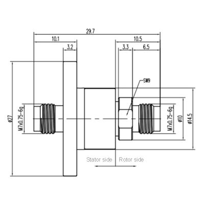
اتصال چرخشی فرکانس رادیویی با محدوده فرکانسی DC-67GHz برای آنتن رادار

اتصال رادیویی فرکانس رادیویی
2025-11-19
882 نظرات
حالا تماس بگیرید
مفصل چرخشی فرکانس رادیویی با محدوده فرکانسی DC-67GHz برای آنتن رادار RCN0167C یک مفصل چرخشی RF تک کاناله CENO با محدوده فرکانسی DC تا 67GHz است. اسلیپ رینگ های RF یک جزء اتصال حیاتی در تجهیزات چرخشی د... مشاهده بیشتر
پیام های بازدید کننده پيغام بذاريد
اتصال چرخشی فرکانس رادیویی با محدوده فرکانسی DC-67GHz برای آنتن رادار
اتصال چرخشی فرکانس رادیویی با محدوده فرکانسی DC-67GHz برای آنتن رادار
حالا تماس بگیرید
بیشتر بدانید
فیلم های مرتبط
یکپارچه سازی حلقه اسلیپ RF با رمزگذاری سیگنال اترنت و مفصل چرخشی فرکانس رادیویی 00:16
یکپارچه سازی حلقه اسلیپ RF با رمزگذاری سیگنال اترنت و مفصل چرخشی فرکانس رادیویی

یکپارچه سازی حلقه اسلیپ RF با رمزگذاری سیگنال اترنت و مفصل چرخشی فرکانس رادیویی

اتصال رادیویی فرکانس رادیویی
2026-03-18
کم درجه حرارت یکپارچه قدرت RF حلقه لغزشی با مفصل چرخش فرکانس رادیویی 00:19
کم درجه حرارت یکپارچه قدرت RF حلقه لغزشی با مفصل چرخش فرکانس رادیویی

کم درجه حرارت یکپارچه قدرت RF حلقه لغزشی با مفصل چرخش فرکانس رادیویی

اتصال رادیویی فرکانس رادیویی
2026-03-17
اتصال چرخشی فرکانس رادیویی تک کاناله با حلقه لغزش RF مناسب برای دمای پایین 00:30
اتصال چرخشی فرکانس رادیویی تک کاناله با حلقه لغزش RF مناسب برای دمای پایین

اتصال چرخشی فرکانس رادیویی تک کاناله با حلقه لغزش RF مناسب برای دمای پایین

اتصال رادیویی فرکانس رادیویی
2026-03-16
3 RF Rotary Joint دمای پایین یکپارچه قدرت و فرکانس رادیویی حلقه لغز 00:21
3 RF Rotary Joint دمای پایین یکپارچه قدرت و فرکانس رادیویی حلقه لغز

3 RF Rotary Joint دمای پایین یکپارچه قدرت و فرکانس رادیویی حلقه لغز

اتصال رادیویی فرکانس رادیویی
2026-01-20
رینگ لغزنده یکپارچه توان و رادیو فرکانس با دمای پایین، اتصال دوار RF ترکیبی 00:21
رینگ لغزنده یکپارچه توان و رادیو فرکانس با دمای پایین، اتصال دوار RF ترکیبی

رینگ لغزنده یکپارچه توان و رادیو فرکانس با دمای پایین، اتصال دوار RF ترکیبی

اتصال رادیویی فرکانس رادیویی
2026-01-20
2 کانال فرکانس رادیویی مفصل چرخشی با لباس حلقه ریز RF دمای پایین 00:20
2 کانال فرکانس رادیویی مفصل چرخشی با لباس حلقه ریز RF دمای پایین

2 کانال فرکانس رادیویی مفصل چرخشی با لباس حلقه ریز RF دمای پایین

اتصال رادیویی فرکانس رادیویی
2026-01-20
4 کانال RF روتاری مشترک ترکیب شده قدرت الکتریکی حلقه لغزش در دمای پایین 00:25
4 کانال RF روتاری مشترک ترکیب شده قدرت الکتریکی حلقه لغزش در دمای پایین

4 کانال RF روتاری مشترک ترکیب شده قدرت الکتریکی حلقه لغزش در دمای پایین

اتصال رادیویی فرکانس رادیویی
2025-11-19
2 کانال RF Rotary Joint ترکیب قدرت الکتریکی و سیگنال برای رادار 00:22
2 کانال RF Rotary Joint ترکیب قدرت الکتریکی و سیگنال برای رادار

2 کانال RF Rotary Joint ترکیب قدرت الکتریکی و سیگنال برای رادار

اتصال رادیویی فرکانس رادیویی
2025-11-19
ادغام اترنت برق، اسلیپ رینگ RF و اتحادیه دوار فرکانس رادیویی 00:21
ادغام اترنت برق، اسلیپ رینگ RF و اتحادیه دوار فرکانس رادیویی

ادغام اترنت برق، اسلیپ رینگ RF و اتحادیه دوار فرکانس رادیویی

اتصال رادیویی فرکانس رادیویی
2025-09-12
اتصال چرخشی حلقه لغزشی اترنت و RF با توان الکتریکی یکپارچه در دمای پایین 00:21
اتصال چرخشی حلقه لغزشی اترنت و RF با توان الکتریکی یکپارچه در دمای پایین

اتصال چرخشی حلقه لغزشی اترنت و RF با توان الکتریکی یکپارچه در دمای پایین

اتصال رادیویی فرکانس رادیویی
2025-09-12
یکپارچه کردن قدرت الکتریکی و حلقه لغزنده فرکانس رادیویی با مفصل چرخشی rf 00:19
یکپارچه کردن قدرت الکتریکی و حلقه لغزنده فرکانس رادیویی با مفصل چرخشی rf

یکپارچه کردن قدرت الکتریکی و حلقه لغزنده فرکانس رادیویی با مفصل چرخشی rf

اتصال رادیویی فرکانس رادیویی
2025-08-28
حلقه ی اسلیپ مشترک روتاری با دمای پایین با سیگنال 1000M اترنت 00:48
حلقه ی اسلیپ مشترک روتاری با دمای پایین با سیگنال 1000M اترنت

حلقه ی اسلیپ مشترک روتاری با دمای پایین با سیگنال 1000M اترنت

اتصال روتاری فیبر نوری
2024-01-04
حلقه لغزنده با 2 کانال CPRG187G فرکانس رادیویی مفصل چرخشی 00:29
حلقه لغزنده با 2 کانال CPRG187G فرکانس رادیویی مفصل چرخشی

حلقه لغزنده با 2 کانال CPRG187G فرکانس رادیویی مفصل چرخشی

اتصال رادیویی فرکانس رادیویی
2025-08-28
3 کانال رادیو فرکانس چرخش مشترک با حلقه ریز RF برای آنتن رادار 00:36
3 کانال رادیو فرکانس چرخش مشترک با حلقه ریز RF برای آنتن رادار

3 کانال رادیو فرکانس چرخش مشترک با حلقه ریز RF برای آنتن رادار

اتصال رادیویی فرکانس رادیویی
2024-07-30
حلقه اسلیپ برش کربن با سوراخ 60mm 8 مدار و خانه آلومینیوم آلیاژ برای کاربردهای صنعتی 00:25
حلقه اسلیپ برش کربن با سوراخ 60mm 8 مدار و خانه آلومینیوم آلیاژ برای کاربردهای صنعتی

حلقه اسلیپ برش کربن با سوراخ 60mm 8 مدار و خانه آلومینیوم آلیاژ برای کاربردهای صنعتی

حلقه صنعتی لغزش
2026-04-27